FUS-A4 AP 2 EBT 2025-05

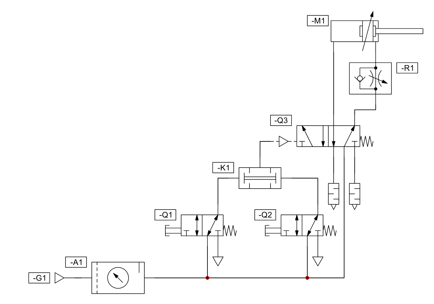
Der Auszug eines Pneumatikplans beinhaltet das Bauteil -Q3. Welche Aussage über das Bauelement ist richtig?

  1. Es ist ein handbetätigtes 5/2-Wegeventil.
  2. Es ist ein druckbetätigtes 5/2-Wegeventil.
  3. Es ist ein mechanisch betätigtes 5/2-Sperrventiel.
  4. Es ist ein elektrisch betätigtes 5/2-Druckventil.
  5. Es ist ein druckbetätigtes 5/2-Sperrventil.