FUS-A3 AP 2 EBT 2025-05

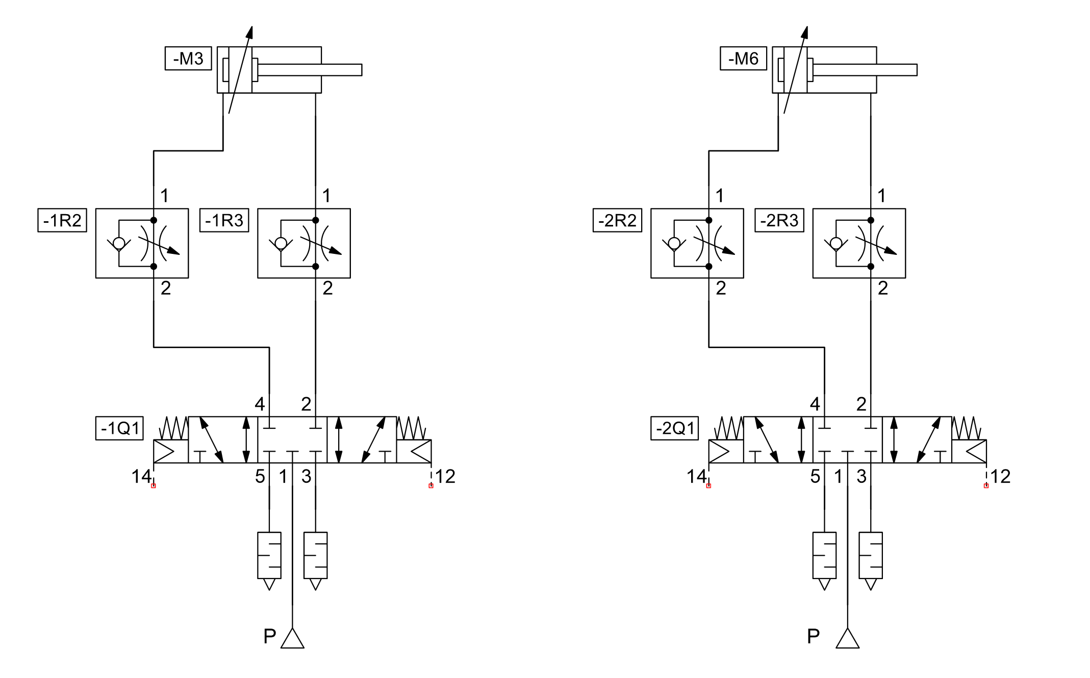
Welche der nachfolgenden Aussagen ist richtig?

  1. Über -2R2 wird die Ausfahrgeschwindigkeit des Zylinders -M3 gesteuert.
  2. Über -2R2 wird die Einfahrgeschwindigkeit des Zylinders -M6 gesteuert.
  3. Über -2R3 wurd due Ausfahrgeschwindigkeit es Zylinders -M3 gesteuert.
  4. Über -2R3 wird die Einfahrgeschwindigkeit des Zylinders -M6 gesteuert.
  5. -1Q1 ist ein 4/2-Wegeventil-