FUS-A21 AP 2 EBT 2025-05

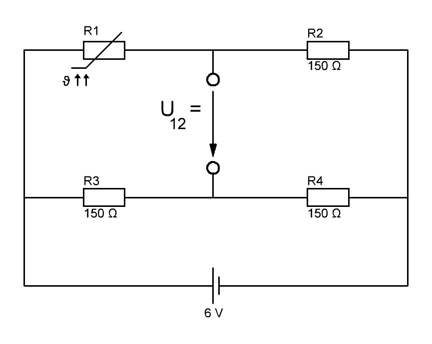
Die dargestellte Brückenschaltung besteht aus 3 Widerständen und einem Pt 100 DIN. Bei 100 C hat der Temperaturfühler R1 einen Widerstand von 138,5 Ω. Wie hoch ist bei 100 C die Spannung U12 (in V)?

  1. U12=+0,06 V
  2. U12=+0,12 V
  3. U12=-0,12 V
  4. U12=+0,24 V
  5. U12=-0,24 V